
Тормозной диск – наверное, наиболее термически нагруженная деталь в авто (при агрессивном использовании в отдельной части тормозного диска температура может доходить до более чем 500C). И в то же время одна из критически важных для безопасности. Таким образом получается что у тормозного диска есть две первичные характеристики – он должен быть крепким (не деформироваться при многократном нагреве и охлаждении, не трескаться) и хорошо охлаждаться (вентилироваться, для чего внутри тормозного диска есть вентиляционные каналы). Вторичными, но также важными, качествами хорошего тормозного диска являются вес (тормозные диски являются частью неподрессоренных масс, уменьшение которых положительно влияет на динамику, работу подвески, топливную экономичность и т.д.) и дополнительные особенности для улучшения эффективности работы диска в сочетании с тормозными колодками (насечки для отвода отработанного материала с колодок, тип диска для достижения равномерного контакта с внутренними и внешними тормозными колодками).
Собственно сами диски делятся на разные виды. Основные категории следующие:
1) Вентилируемые и не вентилируемые – первые состоят из двух «пластин», между которыми есть полости, идущие из центра диска в направлении наружной стороны, вторые являют собой просто одну «пластину». Практически во всех современных авто используются вентилируемые тормозные диски. Иногда встречаются не вентилируемые задние тормозные диски, но это в большей мере относится к совсем гражданским авто и к данной теме относится слабо.
2) Цельные и составные тормозные диски – первые сделаны из цельного куска материала (чугун), обработанного в соответствующую форму. Вторые состоят из двух частей (ступичная и кольцо), сделанных из разного материала (ступичная из алюминия, кольцо из чугуна) и соединенных маленькими болтами.
Для наших целей интерес есть только к цельным вентилируемым и составным вентилируемым тормозным дискам. Если кратко – второй вариант значительно технологичнее и эффективнее, но в то же время дороже. Основные преимущества составных над цельными следующие:
1) Учитывая более высокий ценовой диапазон у них у всех уделено должно внимание вентиляции и вентиляционные каналы сделаны направленными (используется эффект центрифуги для отвода воздуха из центра тормозного диска наружу), что используется не во всех цельных тормозных дисках
2) Лучшие термические характеристики алюминиевой ступичной части также улучшают охлаждение всего тормозного диска – тепло не настолько аккумулируется в центре, как у цельного тормозного диска с тяжелой серединой
3) Плавающая система крепления кольца к ступичной части диска позволяет им двигаться относительно друг друга, что дает возможность достичь равномерного прижимного усилия со стороны обеих колодок (болты, которыми крепится одна часть к другой сильно затягивать не надо, они должны быть затянуты ровно настолько, насколько рекомендует производитель, при этом в них есть ощутимый люфт – динамометрический ключ в помощь установщикам)
4) Также плавающая система крепления позволяет уменьшить риск деформации диска из-за разного теплового расширения ступичной части и кольца, за счет наличия места для расширения материала без влияния на соседние части
5) Вес. Составные тормозные диски легче цельных на 1.5-2кг каждый. Все четыре диска легче стоковых на 6-7кг, что очень ощутимо при езде (на примере EvoIX)
6) Конструкция составных тормозных дисков позволяет менять по мере износа только кольца, что приводит стоимость последующих замен к уровню стоимости цельных тормозных дисков.
Недостаток фактически только один – первичная стоимость при покупке, в общем комплект составных тормозных дисков приблизительно в два раза дороже стоимости комплекта хороших цельных тормозных дисков (приблизительно 400-800усд является справедливой стоимостью полного комплекта цельных тормозных дисков, в то время как справедливая стоимость полного комплекта составных тормозных дисков составляет приблизительно 1,300-1,800усд – на примере EvoIX, в других вариантах цифры будут отличаться, но общее соотношение существенно не поменяется). При этом ценовой особенностью составных дисков является то, что задние диски обычно дороже передних, по причине того, что форма ступичной части более сложная. Кроме того не все производители делают задние составные диски, но необходимость в них не столь существенна, т.к. в стоковом варианте тормоза настроены таким образом, что принципиально большая часть нагрузки приходится на переднюю ось. Соответственно на задней оси нет таких температурных режимов, и замена тормозных дисков на составные без изменения принципов работы тормозной системы скорее обуславливается эстетическими соображениями и желанием уменьшить неподрессоренные массы.
Также имеет смысл рассмотреть отдельные части и/или особенности тормозных дисков.
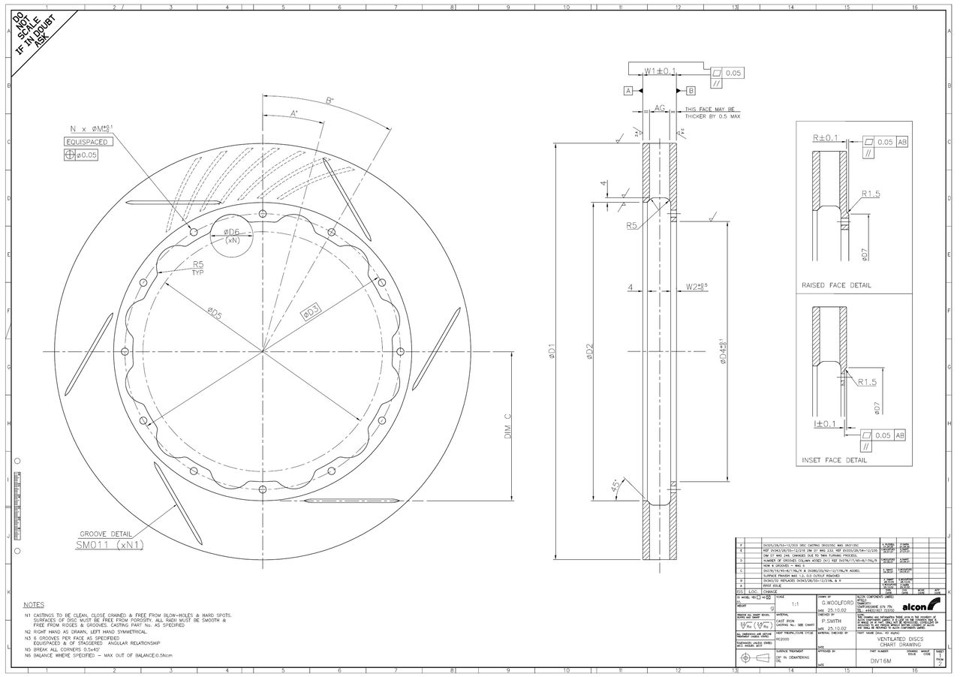
Насечки – сделаны для того, чтобы отводить из пятна контакта тормозных колодок и диска лишние вещества. Это могут быть обгоревшие отложения тормозных колодок, влага, пыль и т.д. При торможении колодка прижимается к тормозному диску с достаточно большим усилием и все вещества, которые отличаются по плотности от материала колодки и находятся в пятне контакта, грубо говоря, срезаются краями насечек. Колодка проходит дальше, а лишний материал благополучно выпадает наружу. Уменьшают срок службы колодок, но не слишком значительно.
Выемки – отдельный вариант насечек, просто отличающийся по форме. К ним применимо практически все то же, что и к насечкам.
Перфорация – сделана, грубо говоря, для красоты и «форсу бандитского». Общепринятое убеждение о том, что красивые дырки в тормозном диске помогают вентиляции тормозного диска, никакую критику выдерживать не может и никакими нормальными аргументами не подкреплено. Причина этого простая – вентилируемый тормозной диск охлаждается воздухом, который проходит из центра диска наружу через полости между полотнами тормозного диска. Направление движения обуславливается большим давлением в центре тормозного диска (потому что там выше температура) и во многих случаях формой вентиляционных каналов. Заставить воздух двигаться через перфорацию внутрь или наружу диска не представляется возможным никаким образом. Кроме того, площадь этих насечек ничтожна относительно площади вентиляционных отверстий внутри диска. Вывод относительно перфорации номер один – никакого отношения к вентиляции и охлаждению тормозного диска она не имеет. Более того, из-за изменения плотности материала в местах перфорации, при многократном сильном нагреве и охлаждении вокруг отверстий могут появляться микротрещины, что в конечном итоге может привести к разрушению тормозного диска. Последствия такого события при агрессивном торможении со скорости даже 150кмч можете себе представить сами. Вывод относительно перфорации номер два — если хотите чтобы выглядело красиво (если вы считаете что это красиво, я, например, так не считаю), но не предназначалось для реального использования – покупайте перфорированные тормозные диски; если хотите чтобы конструкция работала и была максимально надежной – перфорация ни к чему. Единственным теоретическим улучшением от наличия перфорации можно считать дополнительное уменьшение веса. Но эффект совершенно несущественный, а риски, с ним связанные, очень ощутимые. Соответственно, с моей точки зрения это никаким образом не меняет ситуацию.
Сквозные насечки – встречаются очень нечасто (я видел только на дисках одного производителя). Идея в попытке совместить уменьшение веса и работу насечек. С моей точки зрения также могут быть излишне подвержены трещинам.
Как уже было сказано выше, тормозные диски вентилируются и охлаждаются за счет прохождения воздуха через вентиляционные каналы из центра диска наружу. Естественно, есть не один вариант формы вентиляционных каналов. Ниже описаны некоторые наиболее часто используемые:
Прямые радиальные – используются в основном на менее дорогих решениях и являют собой каналы, идущие от центра диска к наружной части по наиболее прямому пути. Они дешевле в изготовлении, и при небольших нагрузках вполне справляются со своей задачей. Но на высокой скорости центробежной силы не хватает для обеспечения достаточного воздушного потока и эффективность охлаждения снижается.
Направленные радиальные – более эффективный метод вентиляции, который позволяет увеличить скорость воздушного потока с ростом скорости вращения тормозного диска (в противоположность прямым каналам). Каналы закручиваются от центра в направлении задней части авто, что создает эффект центрифуги при вращении. Также подобная форма вентиляционных каналов позволяет уменьшить толщину их стенок и, соответственно, уменьшить вес диска.
Другие варианты – к примеру, «след кенгуру», используемый DBA. Между плоскостями диска находится много соединительных перепонок. Они создают большую поверхность для охлаждения и таким образом, вентиляция улучшается относительно прямых радиальных вентиляционных каналов. Также они теоретически уменьшают вероятность деформации полотна диска по толщине.
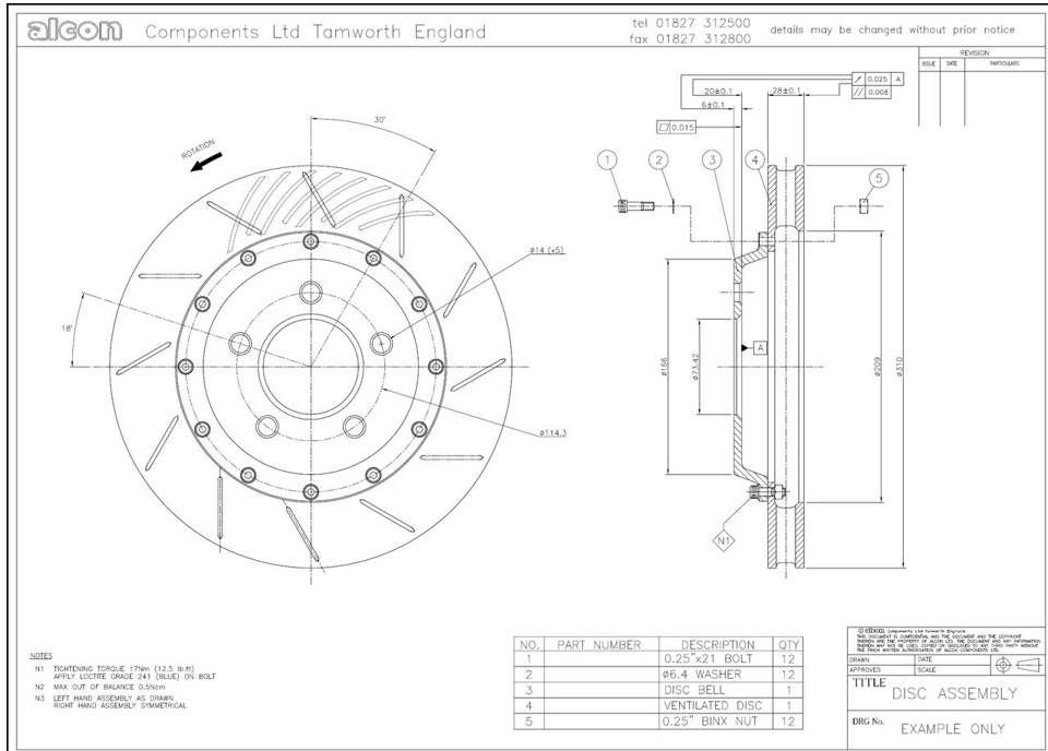
Относительно составных тормозных дисков зачастую есть непонимание того, как соединены между собой две части тормозного диска и за счет чего крепление является «плавающим». В любом случае части составного тормозного диска соединяются между собой болтами. Отличие плавающей системы от фиксированной состоит в том, что у последней части составного диска соединены между собой болтами таким образом, что движение одной части относительно другой является невозможным, что по существу является эквивалентом цельного тормозного диска в этом отношении. При плавающей системе крепления, болты затягиваются и устанавливаются таким образом, что кольцо диска может передвигаться относительно ступичной части (в поперечном направлении). Для обеспечения надежности конструкции используются болты и гайки из очень прочных материалов, с конструкцией, которая делает невозможным раскручивание гайки без целенаправленного усилия. Для того чтобы незатянутые болты не издавали лишних звуков, между гайкой и частями диска устанавливаются изогнутые шайбы, которые прижимают болты с небольшим усилием. Благодаря этому незатянутые болты не издают лишних звуков, но при этом кольцо диска может двигаться между тормозными колодками, обеспечивая равномерное прижимное усилие с двух сторон, а также расширяться при нагреве независимо от ступичной части тормозного диска. Разные производители используют разные болты, гайки и шайбы, но общий принцип работы от этого совершенно не меняется.
На этом по существу большинство теоретических особенностей и характеристик тормозных дисков можно считать раскрытыми. В дополнение можно упомянуть основные варианты разных типов дисков, с краткими комментариями относительно их особенностей. Достойными внимания составными тормозными дисками являются следующие варианты (естественно, список не всеобъемлющий, и, вполне вероятно, включает не все существующие и достойные опции):
Girodisc – сделаны из высококачественного материала, с плавающей системой крепления и направленными вентиляционными каналами, одни из наиболее легких, есть много вариантов (гладкие, с насечками, с перфорацией, с перфорацией и насечками, возможно выбрать разные цвета ступичной части, возможность выгравировать на ступичной части надпись), получить консультации производителя очень легко. Очень много позитивных отзывов, в том числе как минимум три от людей, которые ездят с ними на Evo по Украине. Недостаток, в принципе, один – относительно дорогие. Бывают составные и передние, и задние.
Performance Friction – сделаны из высококачественного материала, с плавающей системой крепления, направленными вентиляционными каналами, достаточно легкие, есть только вариант с выемками, доступ к производителю ограничен. Достаточно много позитивных отзывов у россиян, знаю один позитивный отзыв от пользователя в Украине. Тоже достаточно дорогие. Составные есть только передние.
DBA 5000 Series – сделаны из высококачественного материала, с плавающей системой крепления и вентиляционными каналами в форме «следа кенгуру» (запатентованная технология DBA), имеют цветные полоски, реагирующие на температуру и позволяющие по ним понять до какой температуры нагрелся тормозной диск, есть варианты с насечками и с перфорацией (достаточно небольшие отверстия, которые уменьшают вероятность разрушения диска), доступ к производителю ограничен. Составные есть только передние.
Baer Eradispeed – сделаны из обычного материала, с направленными вентиляционными каналами, изготовляются с насечками и перфорацией (один вариант), очень легкие (насколько мне известно, самые легкие), доступ к производителю ограничен. Составные есть и передние, и задние. Цена относительно невысокая.
Racing Brake – сделаны из обычного материала, с плавающей системой крепления и направленными вентиляционными каналами, есть варианты с насечками, с насечками и перфорацией и со сквозными насечками, получить консультации производителя несложно. Составные есть и передние, и задние. Цена относительно невысокая. С моей точки зрения – одно из самых здравых предложений, если взвешивать на стоимость.
Endless – сделаны из высококачественного материала, с плавающей системой крепления и направленными вентиляционными каналами. Производятся только с насечками и составные только передние. Доступ к производителю ограничен. Россияне отзываются положительно.
Prodject Mu – сделаны из обычного материала, с направленными вентиляционными каналами, есть только с насечками. Составные есть и передние, и задние.
Из цельных дисков распространенными вариантами являются следующие (некоторые особенности, как к примеру контакт с производителем, для цельных дисков не актуальны – они являются продуктами одноразового использования и не требуют какой-либо поддержки после продажи, в то время как для составных дисков важными являются вопросы дальнейшей покупки колец и болтов крепления):
Brembo – оригинальные тормозные диски, гладкие, вполне качественные, достаточно тяжелые, но при этом надежные. Недостаток относительно остальных цельных дисков один – стоят дорого.
Girodisc – есть совсем обычные цельные диски, сделанные из обычного материала с простейшими технологиями. Кроме того, есть улучшенные диски с насечками, из высококачественного материала, с направленными вентиляционными каналами и, соответственно, улучшенным охлаждением и уменьшенным весом. Первые совсем недорогие и вполне могут рассматриваться как вариант для случаев, когда тормоза существенно не нагружаются, вторые – ощутимое улучшении относительно стандартных дисков, но при этом стоят относительно дорого, могут рассматриваться как промежуточное решение между цельными и составными тормозными дисками.
DBA – есть совсем обычные цельные диски (Street, три варианта — гладкие, с насечками или с насечками и перфорацией), из обычного материала с простейшими технологиями. Кроме того есть улучшенные цельные диски (4000 Series, три варианта — гладкие, с насечками или с насечками и перфорацией) с насечками и вентиляционными каналами в форме «следа кенгуру», а также цветовыми индикаторами нагрева диска. Первые недорогие и позиционируются как замена стоковым, вторые – улучшение относительно стока, промежуточный вариант между цельными и составными дисками.
Racing Brake – цельные тормозные диски с насечками и направленными вентиляционными каналами, вполне могут рассматриваться как улучшение относительно стоковых тормозных дисков и как промежуточный вариант между цельными и составными дисками.
Tarox – есть разные варианты, но на них было достаточно существенное количество нареканий от пользователей в Украине и России, потому даже писАть о них не буду.
Rotora – к ним относится все то же, что и к Tarox.
Endless – есть три варианта, один – гладкие цельные диски начального уровня (Basic, как равноценная замена стоку), и два – цельные диски с насечками (Curved Slit/E-Slit, как переходной вариант между цельными и составными дисками). Все три изготавливаются из обычного материала.
Project Mu – есть два варианта, первый – цельные тормозные диски с насечками и прямыми вентиляционными каналами (SCR Pure Plus6, равнозначная замена стоку), второй – цельные тормозные диски с насечками и направленными вентиляционными каналами (серия SCR, переходной вариант между цельными и составными дисками).
PowerSlot – производятся компанией Stoptech, цельные тормозные диски с прямыми вентиляционными каналами, бывают с насечками или перфорацией. Могут рассматриваться как равноценная замена стоковым тормозным дискам.
Centric Premium – позиционируются как самая что ни на есть прямая замена стоковым тормозным дискам, только по намного более адекватной цене. Есть очень большое количество позитивных отзывов от пользователей в США.
EBC — есть и гладкие, и с насечками, и с перфорацией. Все варианты могут рассматриваться как равноценная замена стоковым тормозным дискам.
fritz – по уверениям поставщика (Женя fritz) это «диски итальянского производства, стыренные с фабрики». С насечками и перфорацией, стоят небольших денег, в связи с чем (ну как минимум по этой причине) пользуются популярностью. Отзывы вполне положительные. По понятным причинам предлагаются только на территории Украины и Молдавии.
Исходя из вышеперечисленного можно сделать вывод почему казалось бы очень похожие изделия зачастую отличаются в цене. Здесь именно тот случай, когда разница в деталях – используемые материалы (качество металла, используемого для полотна диска), методы обработки (дополнительное покрытие от ржавчины), наличие поддержки (наличие контакта с производителем и возможность быстро получить внятную консультацию), технологичность деталей (болты крепления ступичной части и кольца), само собой маркетинг (куда без этого).
При выборе тормозных дисков также можно и нужно учитывать варианты перехода со стокового размера на больший. У такого решения есть как позитивные стороны, так и отрицательные. Очевидными позитивными является увеличение площади, на которую оказывают давление тормозные колодки и соответствующее уменьшение термической нагрузки. Но нельзя забывать о недостатках – увеличение веса (неподрессоренные массы), вероятность необходимости перехода на увеличенный размер колесных дисков (что приводит к ухудшению динамики, и опять же дополнительному увеличению веса). При принятии решения о переходе на увеличенный размер тормозных дисков надо четко понимать все последствия этого события (и положительные, и отрицательные) и быть четко уверенным в том, что более однозначного решения улучшения тормозов в текущий момент нет. Основными альтернативами являются – переход на более эффективные тормозные колодки, использование более высокотемпературной тормозной жидкости, применение составных тормозных дисков и армированных тормозных шлангов.
Некоторые толковые рекомендации относительно использования и обслуживания тормозных дисков (частично упоминались по ходу повествования):
1) При установке составных тормозных дисков с плавающей системой крепления наши мастера могут попытаться затянуть болты крепления посильнее, под предлогом того, что иначе они будут издавать звуки и могут отвалиться. Этого не надо делать – болты должны быть затянуты ровно с тем усилием, с которым их рекомендует затянуть производитель. При излишней затяжке болтов плавающая система крепления перестает работать, и ваши новые дорогие тормозные диски могут просто сломаться достаточно быстро
2) При замене колодок не лишней процедурой будет обработать наждачной бумагой тормозные диски – таким образом снимаются отложения, оставленные старыми тормозными колодками и улучшается эффективность работы нового сочетания диск-колодка
3) Недопустимо тонкие тормозные диски больше подвержены трещинам и перегреву – меньшее количество материала означает большую термическую загруженность, в связи с чем увеличивается вероятность перегрева и разрушения. Тормозные диски при активном использовании надо менять вовремя
4) Протачивать диски имеет смысл только в том случае, если на них есть ощутимые неровности – это позволяет сделать поверхность диска ровной и улучшить эффективность взаимодействия пары диск-колодка. Если неровностей нет, протачивать диск не имеет смысла – это только уменьшит его толщину. Кроме того проточка не является эффективным методом устранения биения поведенных дисков. Эффективным методом устранения биения поведенных дисков является поиск ближайшего мусорника, выбрасывание поведенных дисков в этот мусорник и дальнейшая покупка новых хороших тормозных дисков
5) При перегреве некачественные диски ведет – это происходит по причине использования некачественных материалов и убогости технического исполнения, которые при существенной термической нагрузке приводят к неравномерному тепловому расширению разных частей диска и последующей деформации. В лучшем случае ведет, в худшем он просто разрушается. Такое может произойти и с вполне качественными дисками при использовании их в условиях, для которых они не предназначены (к примеру, использование городских дисков начального уровня на кольце в паре с агрессивными трековыми колодками)
6) Если после отжига остановиться – вероятно колодки начнут гореть, это связано с тем, что при вращении тормозной диск вентилируется, что снижает его температуру и, соответственно, температуру колодки. После остановки воздух вокруг тормозного диска перестает двигаться и он передает значительную часть накопленной температуры колодке. В связи с этим колодка может подгорать после заезда, даже при том, что она справлялась со своими задачами во время заезда. Для избегания подобных ситуаций рекомендуется после оказания существенной нагрузки на тормоза некоторое время продолжать ездить с ровной скоростью без торможений
7) Малейшие трещины на тормозном диске могут привести к его разрушению – мелкие трещины являются местами, которые усиленно подвержены быстрому разрушению при нагреве и последующем охлаждении. В результате даже небольшая трещина может достаточно быстро привести к разрушению тормозного диска при оказании на тормоза достаточно существенной нагрузки.
Хоть написанное самым прямым образом относится к Evo, значительная часть абсолютно прямо применима в отношении тормозных дисков в общем. Так что надеюсь, что клавиатура амортизировалась не зря, и хотя бы некоторому количеству людей мой труд будет полезен.




Комментарии 6
www.kievka-club.ru/index.…D0%BE-%D0%BD%D0%B8%D1%85/
autokadabra.ru/shouts/76102
1) При установке составных тормозных дисков с плавающей системой крепления не стоит пытаться затянуть болты крепления посильнее, под предлогом того, что иначе они будут издавать звуки и могут отвалиться. Болты должны быть затянуты ровно с тем усилием, с которым их рекомендует затягивать производитель. При излишней затяжке болтов плавающая система крепления перестает работать и тормозные диски выходят из строя. При покупке тормозной системы, специалисты компании ИнтерАМИК производят сборку, составных дисков, в производственных условиях, с выверенным усилием затяжки, согласно технической документации завода-производителя тормозной системы. Соответственно дополнительно протягивать болты крепления ступиц к тормозным полотнам не рекомендуется.
2) Тормозные диски значительно меньше предельной толщины, больше подвержены трещинам и перегреву – меньшее количество материала означает большую термическую загруженность, в связи с чем в разы увеличивается вероятность перегрева и разрушения. Тормозные диски при активном использовании надо менять вовремя, что особенно актуально на бронеавтомобилях, специальных и спортивных автомобилях. После установки новой тормозной системы необходимо выполнить прикатку тормозных дисков, как правильно её произвести Вы сможете прочитать на одном из наших разделов.
3) Протачивать диски имеет смысл только в том случае, если на них есть ощутимые неровности – это позволяет сделать поверхность диска ровной и улучшить эффективность взаимодействия пары диск-колодка. При этом не в коем случае не стоит забывать о предельной минимальной толщине тормозных дисков, указанной в инструкции завода-производителя тормозной системы. Если неровностей нет, протачивать диск не имеет смысла – это только уменьшит его толщину. Кроме того проточка не является панацеей от проблемы биения поведенных дисков. На сегодняшний день самым эффективным методом устранения биения тормозных дисков является замена их на новые, желательно от проверенного производителя. Компания ИнтерАМИК предлагает тормозные системы от японского производителя ENDLESS и JBT, все системы и компоненты имеют обязательные сертификаты.
4) При перегреве некачественные тормозные диски «ведет», т.е. нарушается один из самых важных геометрических параметров тормозного диска параллельность оси симметрии диска и плоскости тормозного полотна. Это происходит по причине использования некачественных материалов и недостаточности проработки технического исполнения, что в свою очередь, при существенной термической нагрузке приводит к неравномерному тепловому расширению разных частей диска и последующей деформации. От такой проблемы не застрахованы и водители использующие вполне качественные диски, при использовании их в условиях, для которых они не предназначены. Например использование агрессивных трековых колодок на стандартных «городских» дисках. Наши специалисты помогут подобрать оптимальное сочетание компонентов тормозной системы на любой автомобиль.
5) Если после резкого оттормаживания с высокой скорости, остановиться – вероятно колодки начнут гореть. Это связано с тем, что при вращении тормозной диск вентилируется, что снижает его температуру и соответственно, температуру колодки. После остановки воздух вокруг тормозного диска перестает двигаться и он передает значительную часть накопленной температуры колодке. Возникает эффект «замыливания», колодка перестаёт работать с полной отдачей, что ведёт к увеличению тормозного пути автомобиля. Для избегания подобных ситуаций рекомендуется, после оказания существенной нагрузки на тормоза некоторое время проехать с ровной скоростью без торможений.
В итоге- экономить, без особого ущерба для безопасности движения в принципе можно на чем угодно: на кузовных деталях, на фильтрах, на технических жидкостях(на надёжность это повлияет, а на безопасность нет), а вот к выбору компонентов для тормозных систем лучше подходить внимательно и осторожно! Здесь именно тот случай, когда разница в деталях – используемые материалы (качество металла, используемого для полотна диска), методы обработки (дополнительное покрытие от ржавчины), технологичность деталей (болты крепления ступичной части и кольца) значительно перекрывает недостаток в виде высокой стоимости.
superbrakes.ru/DBA/DBA_Replace/DBA_Replace.htm
Tightening torque 17Nm (12,5 lb.ft.)
Apply Loctite grade 241 (blue) on bolt
Берёшь и собираешь. Главн почистить купол и ступицу нормально. В некоторых случаях следить за направлением дисков. Правый или левый. Болты новые, сначала чуть подтяни крест накрест, как на картинке, потом уже моментом.